DC2228A, 8-Port IO-Link Master Demo Board includes the LTC2874, LT4275A and IO-Link v1.1 Protocol Stack and Control tool
Referenzdesign unter Verwendung des Teils LTC2874IUHF#PBF von Analog Devices
Zugehörige Dokumente
Für Endprodukte
- Factory Automation
- Industrial Networking
- Smart Sensor
Beschreibung
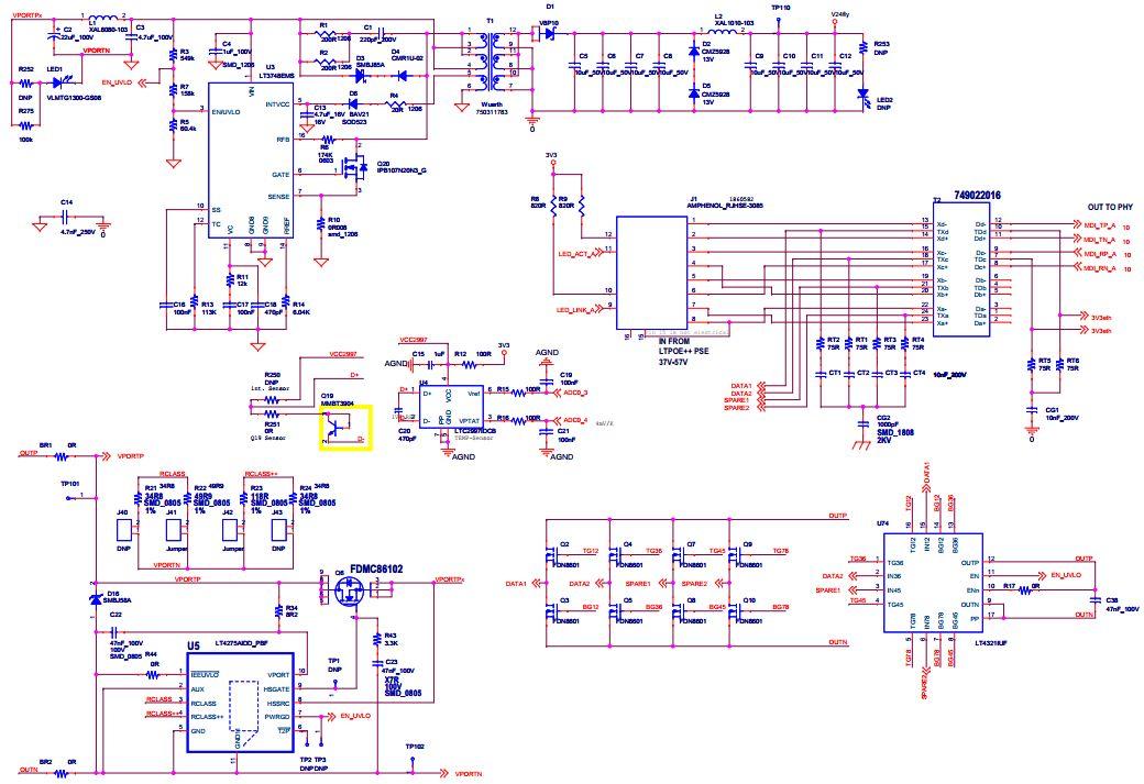
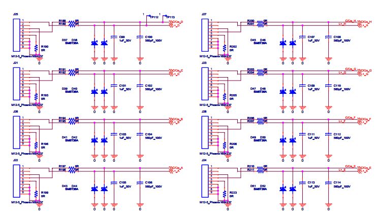
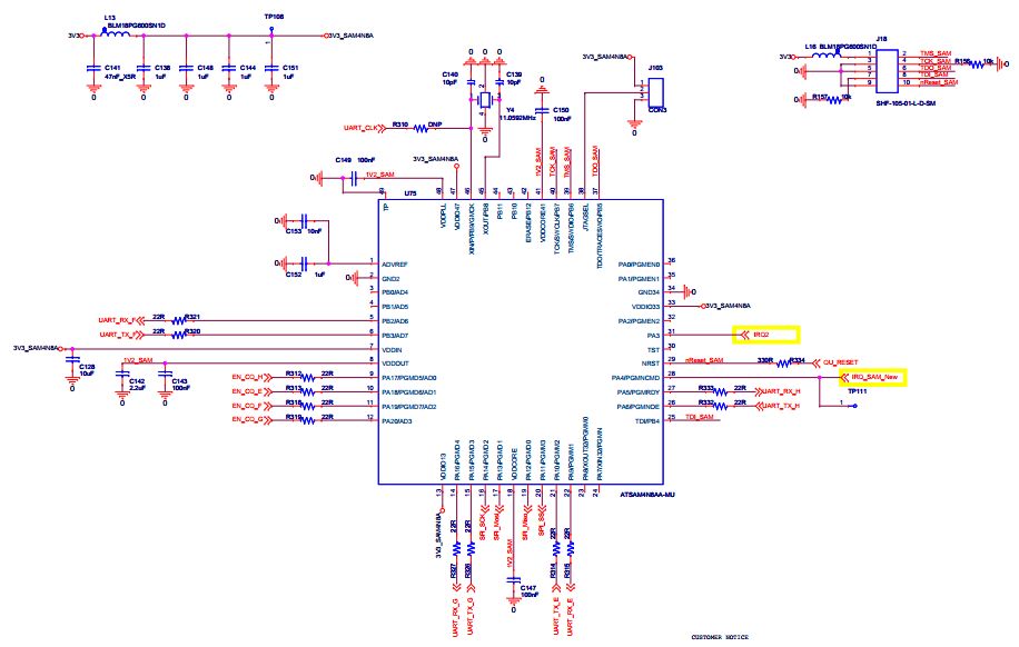
- DC2228A, 8-port IO-link master demo board includes LTC2874, LT4275A and IO-link v1.1 protocol stack and control tool. IO-link a new bi-directional, digital, point-to-point communication standard (IEC 61131-9) offers a standardized mapping of advanced sensor and actuator features into the automation tool environment. This technology leverages small but powerful Microprocessors being incorporated into sensors and actuators to improve control, parameterization and diagnostics. TE Concept has developed an 8-port IO-link master that can be completely powered via an Ethernet cable using PoE technology
Haupteigenschaften
-
Interface StandardsI/O
-
FunctionsLine Transceiver
Empfohlene Bauteile (28)
| Teilenummer | Hersteller | Typ | Beschreibung | |||
|---|---|---|---|---|---|---|
|
|
CC4V-T1A 32.768KHZ 9.0PF 10PPM TC QC | Micro Crystal AG | Crystals | Crystal Resonator 0.032768MHz ±10ppm (Tol) 9pF FUND 65000Ohm 2-Pin CSMD T/R | In den Warenkorb | |
|
|
CC4V-T1A 32.768KHZ 12.5PF 20PPM TC QA | Micro Crystal AG | Crystals | Crystal Resonator 0.032768MHz ±20ppm (Tol) 12.5pF FUND 65000Ohm 2-Pin CSMD T/R Automotive AEC-Q200 | In den Warenkorb | |
|
|
LTC2997IDCB#TRPBF | Analog Devices | Temperature and Humidity Sensors | Temperature Sensor Analog Serial (1-Wire) 6-Pin DFN EP T/R | In den Warenkorb | |
|
|
LT4275AIDD#PBF | Analog Devices | Power Over Ethernet - PoE Controllers | Power Over Ethernet PD Controller 23V 60V 90W 10-Pin DFN EP | In den Warenkorb | |
|
|
LT3682IDD#PBF | Analog Devices | DC to DC Converter and Switching Regulator Chip | Conv DC-DC 3.6V to 36V Step Down Single-Out 0.8V to 20V 1A 12-Pin DFN EP Tube | In den Warenkorb | |
|
|
CC4V-T1A32.768KHZ9.0PF+/-20PPMTCQC | Micro Crystal AG | Crystals | Crystal 0.032768MHz ±20ppm (Tol) 9pF FUND 65000Ohm 2-Pin CSMD T/R | In den Warenkorb | |
|
|
CC4V-T1A 32.768KHZ 6.0PF 20PPM TA QC | Micro Crystal AG | Crystals | Crystal Resonator 0.032768MHz ±20ppm (Tol) 6pF FUND 65000Ohm 2-Pin CSMD T/R | In den Warenkorb | |
|
|
CC4V-T1A 32.768KHZ 12.5PF 20PPM TA QA | Micro Crystal AG | Crystals | Crystal Resonator 0.032768MHz ±20ppm (Tol) 12.5pF FUND 65000Ohm Automotive AEC-Q200 2-Pin CSMD T/R | In den Warenkorb | |
|
|
ATSAM4N8AA-MU | Microchip Technology | Microcontrollers - MCUs | MCU 32-bit ARM Cortex M4 RISC 512KB Flash 2.5V/3.3V 48-Pin QFN EP Tray | In den Warenkorb | |
|
|
CC4V-T1A 32.768KHZ 12.5PF 10PPM TA QC | Micro Crystal AG | Crystals | Crystal Resonator 0.032768MHz ±10ppm (Tol) 12.5pF FUND 65000Ohm 2-Pin CSMD T/R | In den Warenkorb | |
|
|
LPC4357FET256,551 | NXP Semiconductors | Microcontrollers - MCUs | MCU 32-bit ARM Cortex M0/ARM Cortex M4 RISC 1MB Flash 2.5V/3.3V 256-Pin LBGA Tray | In den Warenkorb | |
|
|
CC4V-T1A 32.768KHZ 9.0PF 20PPM TC QA | Micro Crystal AG | Crystals | Crystal Resonator 0.032768MHz ±20ppm (Tol) 9pF FUND 65000Ohm Automotive AEC-Q200 2-Pin CSMD T/R | In den Warenkorb | |