DEM-DAI1808, is an evaluation board for PCM1808 of 24-Bit, 96KSPS ADC for AV Receiver
Referenzdesign unter Verwendung des Teils PCM1808 von Texas Instruments
Zugehörige Dokumente
- SN74LV244A CAD symbol
- DIT4096 CAD symbol
- SN74LV244A CAD symbol
- SN74LV244A CAD symbol
- SN74LV244AT CAD symbol
- SN74LV244AT CAD symbol
- REG1117-33 CAD symbol
- REG1117 CAD symbol
- SN74LV244AT CAD symbol
- PCM1808-Q1 CAD symbol
- PLL1707 CAD symbol
- SN74LV244A CAD symbol
- SN74LV244A-EP CAD symbol
- SN74LV244AT CAD symbol
- OPA2134 CAD symbol
- SN74LV244A CAD symbol
- OPA2134 TINA SPICE
- SN74LV244A CAD symbol
- SN74LVC1G04 CAD symbol
- PCM1808 CAD symbol
- OPA2134 PSPICE
Für Endprodukte
- AV Receiver
- MP3 Player/Recorder
Beschreibung
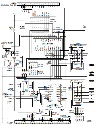
- DEM-DAI1808, is an evaluation board for PCM1808, a 96-kHz, 24-bit PCM audio analog-to-digital converter, with digital audio transmitter, optical and coaxial interface, on-board multiple clock generator, 6-dB amplifier with LPF, and switches or jumpers for mode or clock control
Haupteigenschaften
-
ADC Resolution24 Bit
-
ADC Sampling Rate96K SPS
Empfohlene Bauteile (42)
| Teilenummer | Hersteller | Typ | Beschreibung | |||
|---|---|---|---|---|---|---|
|
|
SN74LV244ATRGYRG4 | Texas Instruments | Buffers and Line Drivers | Buffer/Line Driver 8-CH Non-Inverting 3-ST CMOS 20-Pin VQFN EP T/R | In den Warenkorb | |
|
|
OPA2134PAG4 | Texas Instruments | Operational Amplifiers - Op Amps | Audio Amp Speaker 2-CH Stereo Class-AB 8-Pin PDIP Tube | In den Warenkorb | |
|
|
SN74LV244APWR | Texas Instruments | Buffers and Line Drivers | Buffer/Line Driver 8-CH Non-Inverting 3-ST CMOS 20-Pin TSSOP T/R | In den Warenkorb | |
|
|
SN74LV244APWRG3 | Texas Instruments | Buffers and Line Drivers | Buffer/Line Driver 8-CH Non-Inverting 3-ST CMOS 20-Pin TSSOP T/R | In den Warenkorb | |
|
|
SN74LV244ATPWR | Texas Instruments | Buffers and Line Drivers | Buffer/Line Driver 8-CH Non-Inverting 3-ST CMOS 20-Pin TSSOP T/R | In den Warenkorb | |
|
|
SN74LV244ATRGYR | Texas Instruments | Buffers and Line Drivers | Buffer/Line Driver 8-CH Non-Inverting 3-ST CMOS 20-Pin VQFN EP T/R | In den Warenkorb | |
|
|
PLL1707DBQR | Texas Instruments | Clock Generators and Synthesizers | Clock Generator 26.73MHz to 27.27MHz-IN 20-Pin SSOP T/R | In den Warenkorb | |
|
|
SN74LVC1G04DBVRG4 | Texas Instruments | Inverters and Schmitt Triggers | Inverter 1-Element CMOS 5-Pin SOT-23 T/R | In den Warenkorb | |
|
|
SN74LVC1G04DBVTG4 | Texas Instruments | Inverters and Schmitt Triggers | Inverter 1-Element CMOS 5-Pin SOT-23 T/R | In den Warenkorb | |
|
|
REG1117-3.3/2K5G4 | Texas Instruments | Linear Regulators | LDO Regulator Pos 3.3V 0.8A 4-Pin(3+Tab) SOT-223 T/R | In den Warenkorb | |
|
|
SN74LV244ADBRE4 | Texas Instruments | Buffers and Line Drivers | Buffer/Line Driver 8-CH Non-Inverting 3-ST CMOS 20-Pin SSOP T/R | In den Warenkorb | |
|
|
SN74LV244ADWR | Texas Instruments | Buffers and Line Drivers | Buffer/Line Driver 8-CH Non-Inverting 3-ST CMOS 20-Pin SOIC T/R | In den Warenkorb | |