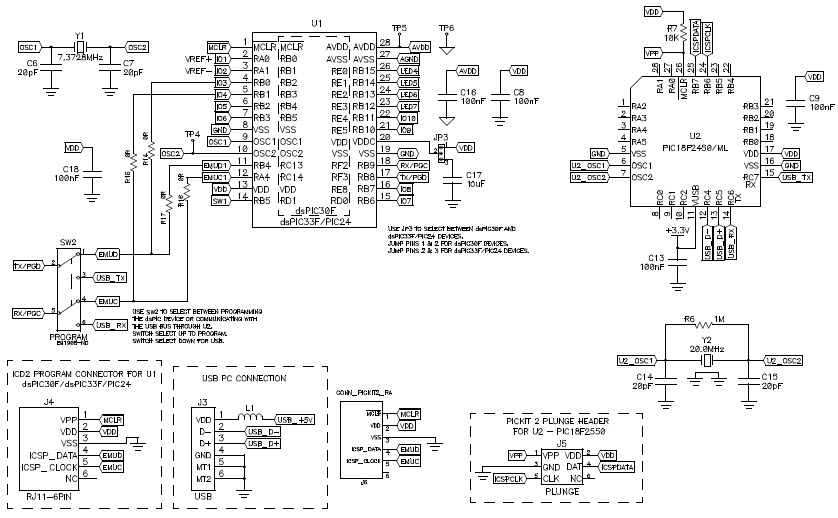
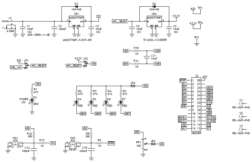
DV164027, Starter Development Board supports 28-pin PIC24 Microcontrollers or dsPIC Digital Signal Controller (DSC) devices

Referenzdesign unter Verwendung des Teils dsPIC33FJ12GP202 von Microchip Technology

Hersteller

Microchip Technology
  • Anwendungskategorie
    Eingebettete Systeme
  • Produkttyp
    Mikrocontroller

Beschreibung

  • DV164027, 16-Bit 28-Pin Starter Development Board supports 28-pin PIC24 microcontrollers or dsPIC Digital Signal Controller (DSC) devices. This board is an ideal prototyping tool to help validate key design requirements using these microcontrollers and DSCs

Haupteigenschaften

  • Embedded System Type
    MCU
  • Family Name
    dsPIC30F|dsPIC33F|PIC24
  • Core Processor
    PIC|dsPIC
  • Platform
    16-Bit 28-Pin Starter Kit

Aktuelles über Elektronikkomponenten­

Wir haben unsere Datenschutzbestimmungen aktualisiert. Bitte nehmen Sie sich einen Moment Zeit, diese Änderungen zu überprüfen. Mit einem Klick auf "Ich stimme zu", stimmen Sie den Datenschutz- und Nutzungsbedingungen von Arrow Electronics zu.

Wir verwenden Cookies, um den Anwendernutzen zu vergrößern und unsere Webseite zu optimieren. Mehr über Cookies und wie man sie abschaltet finden Sie hier. Cookies und tracking Technologien können für Marketingzwecke verwendet werden.
Durch Klicken von „RICHTLINIEN AKZEPTIEREN“ stimmen Sie der Verwendung von Cookies auf Ihrem Endgerät und der Verwendung von tracking Technologien zu. Klicken Sie auf „MEHR INFORMATIONEN“ unten für mehr Informationen und Anleitungen wie man Cookies und tracking Technologien abschaltet. Das Akzeptieren von Cookies und tracking Technologien ist zwar freiwillig, das Blockieren kann aber eine korrekte Ausführung unserer Website verhindern, und bestimmte Werbung könnte für Sie weniger relevant sein.
Ihr Datenschutz ist uns wichtig. Lesen Sie mehr über unsere Datenschutzrichtlinien hier.