Filter
| Beschreibung | Freigegeben von | Für Anwendung | Für Endprodukte | |||
|---|---|---|---|---|---|---|
TIPD177TIPD177, A High-Fidelity HeadPhone Amplifier for Current Output Audio DACs Reference Design |
Texas Instruments | Audio | Cellular Phone, Audio, Portable Audio, AV Receiver, Microphone, Test and Measurement, Broadcast | |||
SD3GDAIII |
Texas Instruments | Wired Communication | Analog Video Router, Broadcast | |||
SD3GDAIII/NOPB |
Texas Instruments | Wired Communication | Analog Video Router, Broadcast | |||
SI5338-EVB |
Silicon Labs | Clock and Timing | Communications and Telecom, Ethernet Router and Ethernet Switch, Switch/Router line card, Broadcast | |||
SI5338-EVB |
Silicon Labs | Clock and Timing | Communications and Telecom, Ethernet Router and Ethernet Switch, Switch/Router line card, Broadcast | |||
SI5338-EVB |
Silicon Labs | Clock and Timing | Communications and Telecom, Ethernet Router and Ethernet Switch, Switch/Router line card, Broadcast | |||
SI5338-EVB |
Silicon Labs | Clock and Timing | Communications and Telecom, Ethernet Router and Ethernet Switch, Switch/Router line card, Broadcast | |||
A10PED-0U-A-066X3E2S-N-E2E2-1-066X3E2S-N-E2E2-0-0-ST2APS-AB |
BittWare | Embedded System | Security, Networking, Broadcast, Portable Instrumentation, Compute and Storage, SigInt | |||
A5PS-0U-GZME12C3-D3-N01-612 |
BittWare | Embedded System | Security, Networking, Broadcast | |||
XUPPL4 |
BittWare | Embedded System | Security, Networking, Broadcast, Storage System, SigInt, Acceleration | |||
XUPP3R-0U-F09VP2E-00000000-S0X41013-0R-S-6 |
BittWare | Embedded System | Security, Networking, Broadcast, Storage System, SigInt, Acceleration | |||
XUSPL4-0U-C065VHE-22-SIJHA-06XUSPL4, PCIe FPGA Board based on Xilinx UltraScale Low-Profile PCIe Board with Dual QSFP and DDR4 |
BittWare | Embedded System | Security, Networking, Broadcast, Storage System, SigInt, Acceleration | |||
XRP9711_Typical ApplicationTypical Application Circuit for XRP9711 Dual 6A Programmable Power Module |
MaxLinear | Power Supplies | Industrial Control, Servers, Automatic Test Equipment, Surveillance and Security System, Basestation, Broadcast | |||
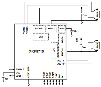
XRP9710_Typical Application |
MaxLinear | Power Supplies | Industrial Control, Servers, Automatic Test Equipment, Surveillance and Security System, Basestation, Broadcast | |||