Filter
| Beschreibung | Freigegeben von | Für Anwendung | Für Endprodukte | |||
|---|---|---|---|---|---|---|
DC2155A-A |
Analog Devices | Power Supplies | Industrial, Storage System, Telecom System | |||
DC2066A |
Analog Devices | Power Supplies | Environmental, Storage System, Telecom System | |||
DC2263A-A |
Analog Devices | Power Supplies | Smart Energy, Distributed Power System, Storage System, Telecom System | |||
DC1203ADC1203A, Demo Board Using for LTC4357 Positive High Voltage Ideal Diode Controller |
Analog Devices | Power Management | Power Supplies, Servers, Fan Trays, Storage System | |||
DC2378A-A |
Analog Devices | Power Supplies | Industrial, Network Equipment, Storage System, Telecom Equipments | |||
DC2394A |
Analog Devices | Power Supplies | Smart Energy, Distributed Power System, Storage System, Telecom System | |||
DC2165A |
Analog Devices | Power Supplies | Industrial, Storage System, Telecom System | |||
ADP1051_Typical ApplicationTypical Application for ADP1051 Digital Controller for Isolated Power Supply with PMBUs Interface |
Analog Devices | Power Supplies | Industrial, Servers, Infrastructure, System Power Rail, DC to DC Power Supply, Intermediate Bus Converter, Networking, Storage System, Communications System | |||
LMK03318EVM |
Texas Instruments | Clock and Timing | Servers, Wireless Base Station, Networking, Storage System | |||
DRM104DRM104, SD Card Reader Using the M9S08JM60 Series Reference Design |
NXP Semiconductors | Embedded System | Storage System | |||
DRM104DRM104, SD Card Reader Using the MC9S08JM32 Series Reference Design |
NXP Semiconductors | Embedded System | Storage System | |||
Si7055_Typical Application |
Silicon Labs | Sensors and Transducers | Industrial Control, Portable Consumer Electronics, HVAC, White Goods, Industrial Asset Tracking, Thermostat, Medical Equipments, Storage System, Computer Equipments, Battery Protection | |||
Si7053_Typical Application |
Silicon Labs | Sensors and Transducers | Industrial Control, Portable Consumer Electronics, HVAC, White Goods, Industrial Asset Tracking, Thermostat, Medical Equipments, Storage System, Computer Equipments, Battery Protection | |||
Si7054_Typical Application |
Silicon Labs | Sensors and Transducers | Industrial Control, Portable Consumer Electronics, HVAC, White Goods, Industrial Asset Tracking, Thermostat, Medical Equipments, Storage System, Computer Equipments, Battery Protection | |||
FPF1038_Typical ApplicationTypical Application Circuit for FPF1038 Low On-Resistance, Slew-Rate-Controlled Load Switch |
onsemi | Power Drivers | Digital Camera, Portable Media Player, GPS Navigation, Portable Medical Devices, Wireless LAN Card, Tablet, Solid State Drive (SSD), Handheld Electronics, Storage System | |||
TIDM-1WIREEEPROMTIDM-1WIREEEPROM, Memory Emulation Using 1-Wire Communication Protocol Reference Design |
Texas Instruments | Embedded System | Portable Consumer Electronics, Certificate Authentication, Storage System | |||
DC2155A-B |
Analog Devices | Power Supplies | Industrial, Storage System, Telecom System | |||
DC2263A-B |
Analog Devices | Power Supplies | Smart Energy, Distributed Power System, Storage System, Telecom System | |||
DC2378A-B |
Analog Devices | Power Supplies | Industrial, Network Equipment, Storage System, Telecom Equipments | |||
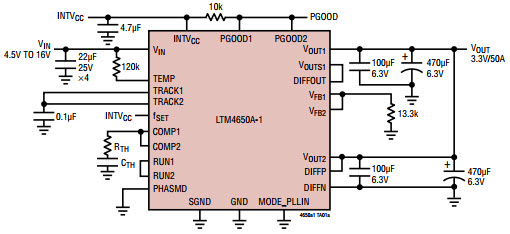
LTM4650A-1_Typical ApplicationTypical Application Circuit for LTM4650AIY-1 50A, 3.3V Output DC/DC Step-Down Regulator |
Analog Devices | Power Supplies | Industrial, Network Equipment, Storage System, Telecom System | |||