Filter
| Beschreibung | Freigegeben von | Für Anwendung | Für Endprodukte | |||
|---|---|---|---|---|---|---|
DC1545A-ADC1545A-A, Demo Board Using LT5578 Up Conversion Mixer with IF=240MHz, RF=1950MHz (HS LO) |
Analog Devices | Wireless Communication | Wireless Infrastructure, Satellite Radio, WiMAX Basestation, Wireless Repeater | |||
DC1314ADC1314A, Demo Board Using LT5581IDDB, 6GHz, 40dB RMS Power Detector - optimized for 10MHz to 2.2GHz |
Analog Devices | Wireless Communication | PoE Wireless Access Point, Active Antenna, Wireless Repeater | |||
LT5578_Typical ApplicationTypical Application for LT5578, 0.4GHz to 2.7GHz High Linearity Up Converting Mixer |
Analog Devices | Wireless Communication | Cell Basestation, WiMAX Basestation, Wireless Repeater | |||
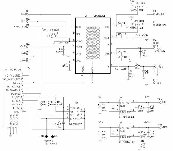
DC1638ADC1638A, Demo Board Using LTC5587IDD 6GHz RMS Power Detector with Digital Outputs |
Analog Devices | Wireless Communication | PoE Wireless Access Point, Active Antenna, Wireless Repeater | |||
LT5581_Typical ApplicationTypical Application for LT5581 - 6GHz RMS Power Detector with 40dB Dynamic Range |
Analog Devices | Wireless Communication | PoE Wireless Access Point, Wireless Repeater, Portable Instrumentation, Transmitters, Multicell-Series-Stacked Battery, WCDMA Basestations | |||
DC2035ADC2035A, Demo Board Using LTC5551, 300MHz to 3.5GHz Ultra-High Dynamic Range Down-Converting Mixer |
Analog Devices | Wireless Communication | Wireless Base Station, Satellite Radio, AV Receiver, Military and Avionics Imaging, Military and Aerospace, Active Antenna, Wireless Repeater, Missile Defense | |||
DC1545A-BDC1545A-B, Demo Board Using LT5578 Up Conversion Mixer with IF=140MHz, RF=900MHz (LS LO) |
Analog Devices | Wireless Communication | Wireless Infrastructure, Satellite Radio, WiMAX Basestation, Wireless Repeater | |||
LTC6602_Typical ApplicationTypical Application for LTC6602 Dual Matched, High Frequency Bandpass/Lowpass Filters |
Analog Devices | Active Filters | Modems, RFID Reader, Wireless Repeater, Basestation, Radio-Link Infrastructures, JTRS Radio, Wireless Telemetry | |||
DC1304A-ADC1304A-A, Demo Board Dual Programmable 900kHz LP/BP Filter / ADC Driver |
Analog Devices | Active Filters | Cell Basestation, Wireless Modem, Telemetry, Wireless Repeater | |||
AD9142-M5375-EBZ |
Analog Devices | Data Conversion | Instrumentation and Measurement, Wireless, Automatic Test Equipment, Software Defined Radio, 3G Wireless Base Station, Wireless Repeater, 4G Wireless Base Station | |||
AD9142-M5372-EBZ |
Analog Devices | Data Conversion | Instrumentation and Measurement, Wireless, Automatic Test Equipment, Software Defined Radio, 3G Wireless Base Station, Wireless Repeater, 4G Wireless Base Station | |||
DC1851ADC1851A, Demo Board Using the LTC2872 Dual Multiprotocol Transceiver with Integrated Termination |
Analog Devices | Interface | Point-of-sale Terminals, Wireless Repeater | |||
V19N3-08-LTC6602-PhilipkarantzalisLTC6602, Programmable Baseband Filter for Software-Defined UHF RFID Readers |
Analog Devices | Active Filters | Cell Basestation, Wireless Modem, Telemetry, Wireless Repeater | |||
DC1786A |
Analog Devices | Interface | Point-of-sale Terminals, Wireless Repeater | |||
AD9154-M6720-EBZ |
Analog Devices | Data Conversion | Automatic Test Equipment, Software Defined Radio, Wireless Repeater, Ethernet Microwave Radio, Basestation, Portable Instrumentation, Wireless Communications | |||
AD9154-EBZ |
Analog Devices | Data Conversion | Automatic Test Equipment, Software Defined Radio, Wireless Repeater, Ethernet Microwave Radio, Basestation, Portable Instrumentation, Wireless Communications | |||
AD9154-FMC-EBZ |
Analog Devices | Data Conversion | Automatic Test Equipment, Software Defined Radio, Wireless Repeater, Ethernet Microwave Radio, Basestation, Portable Instrumentation, Wireless Communications | |||
EVALZ-ADN2915 |
Analog Devices | Clock and Timing | Clock and Timing Devices, Wireless Repeater, Switch/Router line card, Portable Instrumentation | |||
EVALZ-ADN2913 |
Analog Devices | Clock and Timing | Clock and Timing Devices, Wireless Repeater, Switch/Router line card, Portable Instrumentation | |||
EVALZ-ADN2905 |
Analog Devices | Clock and Timing | Clock and Timing Devices, Wireless Repeater, Switch/Router line card, Portable Instrumentation | |||