Filter
| Beschreibung | Freigegeben von | Für Anwendung | Für Endprodukte | |||
|---|---|---|---|---|---|---|
TC682_Typical ApplicationTypical Application for TC682 Negative Supply Derived from 3V Battery |
Microchip Technology | Power Supplies | Cellular Phone, Power Supplies, Digital Panel Meters, Handheld Instruments, Local Logic Supplies, Li-Ion Cell Applications, LCD Bias Supply | |||
TC682_Typical Application |
Microchip Technology | Power Supplies | Cellular Phone, Power Supplies, Digital Panel Meters, Handheld Instruments, Local Logic Supplies, Li-Ion Cell Applications, LCD Bias Supply | |||
LTC1966_Typical ApplicationTypical Application for LTC1966 - Precision Micro-power, Delta Sigma RMS-to-DC Converter |
Analog Devices | Signal Conditioning | Digital Panel Meters, RMS Voltmeter | |||
LT6020_Typical Application |
Analog Devices | Amplifiers and Comparators | Cellular Phone, Power Supplies, Digital Panel Meters, Handheld Instruments, Local Logic Supplies, Li-Ion Cell Applications, LCD Bias Supply | |||
TC682_Typical ApplicationTypical Application for Paralleling TC682 for Lower Output Source Resistance |
Microchip Technology | Power Supplies | Cellular Phone, Power Supplies, Digital Panel Meters, Handheld Instruments, Local Logic Supplies, Li-Ion Cell Applications, LCD Bias Supply | |||
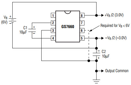
GS7660_Typical ApplicationTypical Application for GS7660 Battery Splitter, Switched-Capacitor Voltage Converter |
Vishay | Power Supplies | Power Supplies, Data Acquisition System, Communications Equipment, Digital Panel Meters, Handheld Instruments, Portable Communicators, Local Logic Supplies, Portable Telephones | |||
GS7660_Typical ApplicationTypical Application for GS7660 Ultra Precision Voltage Divider |
Vishay | Power Supplies | Power Supplies, Data Acquisition System, Communications Equipment, Digital Panel Meters, Handheld Instruments, Portable Communicators, Local Logic Supplies, Portable Telephones | |||
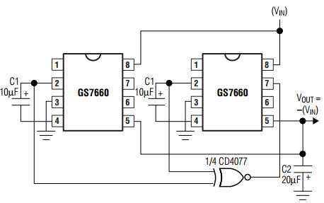
GS7660_Typical ApplicationTypical Application for GS7660 Switched-Capacitor Voltage Converter, Negative Voltage Converter |
Vishay | Power Supplies | Power Supplies, Data Acquisition System, Communications Equipment, Digital Panel Meters, Handheld Instruments, Portable Communicators, Local Logic Supplies, Portable Telephones | |||
GS7660_Typical ApplicationTypical Application for GS7660 Voltage Doubler, Switched-Capacitor Voltage Converter |
Vishay | Power Supplies | Power Supplies, Data Acquisition System, Communications Equipment, Digital Panel Meters, Handheld Instruments, Portable Communicators, Local Logic Supplies, Portable Telephones | |||
GS7660_Typical ApplicationTypical Application for GS7660 Paralleling for Lower Output Resistance |
Vishay | Power Supplies | Power Supplies, Data Acquisition System, Communications Equipment, Digital Panel Meters, Handheld Instruments, Portable Communicators, Local Logic Supplies, Portable Telephones | |||
GS7660_Typical ApplicationTypical Application for GS7660 Voltage Doubler, Switched-Capacitor Voltage Converter |
Vishay | Power Supplies | Power Supplies, Data Acquisition System, Communications Equipment, Digital Panel Meters, Handheld Instruments, Portable Communicators, Local Logic Supplies, Portable Telephones | |||
MIKROE-3311MIKROE-3311, RMS to DC Click Board based on LTC1968 RMS-to-DC Converter |
MikroElektronika | Signal Conditioning | Digital Multimeter, Smart Gauge, Digital Panel Meters, RMS Measurements | |||