Filter
| Beschreibung | Freigegeben von | Für Anwendung | Für Endprodukte | |||
|---|---|---|---|---|---|---|
DN444FCircuit Shows Misconnection With RTNB and NEGA Swapped for LTC4355 and LTC4354 |
Analog Devices | Battery Management | Optical Networking, Distributed Control System, Desktop Computer/Server, Infrastructure, ATCA Power Management | |||
DN444FCircuit Shows BATTERY B Installed Incorrectly for LTC4354 and LTC4355 |
Analog Devices | Battery Management | Optical Networking, Distributed Control System, Desktop Computer/Server, Infrastructure, ATCA Power Management | |||
DN363F |
Analog Devices | Power Drivers | Optical Networking, Distributed Control System, Desktop Computer/Server, Infrastructure, ATCA Power Management | |||
DN363F |
Analog Devices | Power Drivers | Optical Networking, Distributed Control System, Desktop Computer/Server, Infrastructure, ATCA Power Management | |||
DN444FCircuit shows Correct Power Supply Connections for LTC4355 and LTC4354 |
Analog Devices | Battery Management | Optical Networking, Distributed Control System, Desktop Computer/Server, Infrastructure, ATCA Power Management | |||
DN444F |
Analog Devices | Battery Management | Optical Networking, Distributed Control System, Desktop Computer/Server, Infrastructure, ATCA Power Management | |||
DC1472ALTM4618EV Demo Board, 26V, 6A Step-down module Regulator with Tracking |
Analog Devices | Power Supplies | Industrial, Servers, Telecom Power Supply, Wired Networking, Medical and Healthcare, Data Storage Devices, ATCA Power Management | |||
DC1663A |
Analog Devices | Power Supplies | Industrial, Telecom Power Supply, Wired Networking, Data Storage Devices, ATCA Power Management | |||
LTM4650_Typical ApplicationTypical Application Circuit for LTM4650IY 1.2V at 100A Outputs DC/DC Module Regulator |
Analog Devices | Power Supplies | Industrial, ATCA Power Management, Network Equipment, Storage System, Telecom Equipments | |||
LTM4650_Typical ApplicationTypical Application Circuit for LTM4650EY 1.2V at 100A Outputs DC/DC Module Regulator |
Analog Devices | Power Supplies | Industrial, ATCA Power Management, Network Equipment, Storage System, Telecom Equipments | |||
LTM4650_Typical ApplicationTypical Application Circuit for LTM4650IY 1.2V and 1V Outputs DC/DC Module Regulator |
Analog Devices | Power Supplies | Industrial, ATCA Power Management, Network Equipment, Storage System, Telecom Equipments | |||
DN444FCircuit shows Reversed Input Connection for LTC4355 and LTC4354 |
Analog Devices | Battery Management | Optical Networking, Distributed Control System, Desktop Computer/Server, Infrastructure, ATCA Power Management | |||
DN397Advanced TCA Hot-Swap Controller Monitors Power Distribution |
Analog Devices | Power Management | ATCA Backplane, Distributed Control System, Infrastructure, ATCA Power Management | |||
LTM4650_Typical ApplicationTypical Application Circuit for LTM4650EY 1.2V and 1V Outputs DC/DC Module Regulator |
Analog Devices | Power Supplies | Industrial, ATCA Power Management, Network Equipment, Storage System, Telecom Equipments | |||
LTM4650_Typical ApplicationTypical Application Circuit for LTM4650IY 1V at 50A Output DC/DC Module Regulator |
Analog Devices | Power Supplies | Industrial, ATCA Power Management, Network Equipment, Storage System, Telecom Equipments | |||
LTM4650_Typical ApplicationTypical Application Circuit for LTM4650EY 1V at 50A Output DC/DC Module Regulator |
Analog Devices | Power Supplies | Industrial, ATCA Power Management, Network Equipment, Storage System, Telecom Equipments | |||
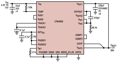
LTM4650_Typical ApplicationTypical Application Circuit for LTM4650IY 50A, 1.2V Output DC/DC Module Regulator |
Analog Devices | Power Supplies | Industrial, ATCA Power Management, Network Equipment, Storage System, Telecom Equipments | |||
LTM4650_Typical ApplicationTypical Application Circuit for LTM4650EY 50A, 1.2V Output DC/DC Module Regulator |
Analog Devices | Power Supplies | Industrial, ATCA Power Management, Network Equipment, Storage System, Telecom Equipments | |||
DC1453ALTM4619EV Demo Board, 26V, Dual 4A module Regulator with Tracking |
Analog Devices | Power Supplies | Industrial, Servers, Telecom Power Supply, Wired Networking, Data Storage Devices, ATCA Power Management | |||
DC1668A-BLTM4627EV Demo Board, High Efficiency 40A PolyPhase Step-Down Power Supply |
Analog Devices | Power Supplies | Industrial, Telecom Power Supply, Wired Networking, Data Storage Devices, ATCA Power Management | |||