EVAL-AD5687RSDZ, Evaluation Board for AD5687R, Quad, 12-Bit, Serial Voltage-Output Digital to Analog Converter
Referenzdesign unter Verwendung des Teils AD5687B von Analog Devices
Für Endprodukte
- Data Acquisition System
- Industrial Automation HMI
- Industrial Programmable Logic Controllers (PLCs)
- Opticals
- Wireless Base Station
Beschreibung
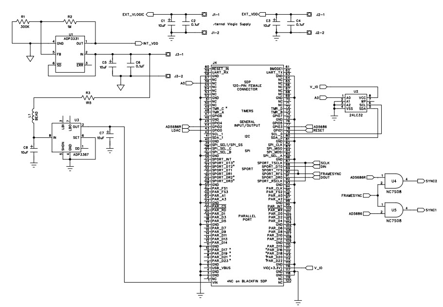
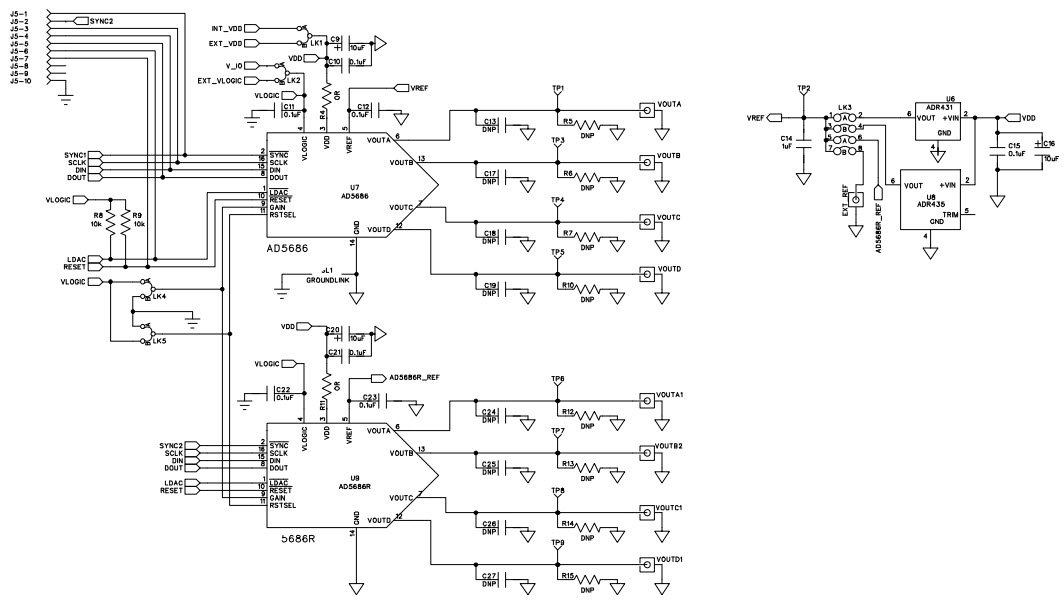
- EVAL-AD5687RSDZ, Evaluation Board for AD5687R, Quad, 12-Bit, Serial Voltage-Output Digital to Analog Converter. EVAL-AD5687RSDZ is designed to help customers quickly prototype new AD5687R circuits and reduce design time. The AD5687R operates from a single 2.7 V to 5.5 V supply. The part incorporates an internal 2.5 V. on-board reference to give an output voltage span of 2.5 V or 5 V. The on-board reference is on at power-up
Haupteigenschaften
-
DAC Resolution12 Bit
-
Number of Channels2CH
Empfohlene Bauteile (36)
| Teilenummer | Hersteller | Typ | Beschreibung | |||
|---|---|---|---|---|---|---|
|
|
REF430803J | Analog Devices | Voltage References | V-Ref Precision 2.5V 10mA 8-Pin TO-99 Tube | In den Warenkorb | |
|
|
REF43R803RC | Analog Devices | Voltage References | V-Ref Precision 2.5V 10mA 20-Pin CLLCC Tube | In den Warenkorb | |
|
|
AD5686RBRUZ-RL7 | Analog Devices | Digital to Analog Converters - DACs | DAC 4-CH Resistor-String 16-bit 16-Pin TSSOP T/R | In den Warenkorb | |
|
|
AD5684RARUZ-RL7 | Analog Devices | Digital to Analog Converters - DACs | DAC 4-CH Resistor-String 12-bit 16-Pin TSSOP T/R | In den Warenkorb | |
|
|
AD5684ARUZ | Analog Devices | Digital to Analog Converters - DACs | DAC 4-CH Resistor-String 12-bit 16-Pin TSSOP Tube | In den Warenkorb | |
|
|
AD5686BRUZ | Analog Devices | Digital to Analog Converters - DACs | DAC 4-CH Resistor-String 16-bit 16-Pin TSSOP Tube | In den Warenkorb | |
|
|
AD5686ARUZ-RL7 | Analog Devices | Digital to Analog Converters - DACs | DAC 4-CH Resistor-String 16-bit 16-Pin TSSOP T/R | In den Warenkorb | |
|
|
REF430-803ZTESTREPORT | Analog Devices | Voltage References | V-Ref Precision 2.5V 10mA 8-Pin CDIP Tube | In den Warenkorb | |
|
|
REF43-803J | Analog Devices | Voltage References | V-Ref Precision 2.5V 10mA 8-Pin TO-99 | In den Warenkorb | |
|
|
AD5684BCPZ-RL7 | Analog Devices | Digital to Analog Converters - DACs | DAC 4-CH Resistor-String 12-bit 16-Pin LFCSP EP T/R | In den Warenkorb | |
|
|
AD5686ACPZ-RL7 | Analog Devices | Digital to Analog Converters - DACs | DAC 4-CH Resistor-String 16-bit 16-Pin LFCSP EP T/R | In den Warenkorb | |
|
|
AD5684RBCPZ-RL7 | Analog Devices | Digital to Analog Converters - DACs | DAC 4-CH Resistor-String 12-bit 16-Pin LFCSP EP T/R | In den Warenkorb | |