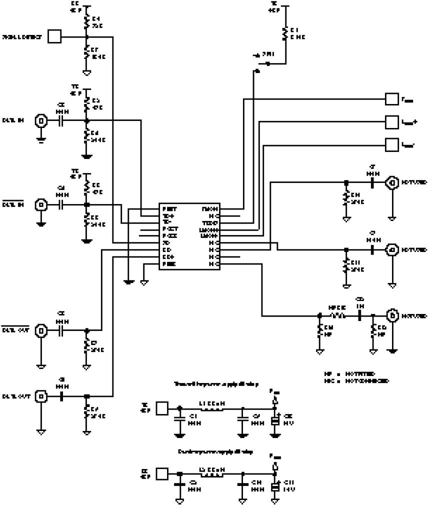
HFCT-5000, Evaluation Board for Smart Duplex Single Mode Transceivers

Referenzdesign unter Verwendung des Teils HFCT-5205A von Broadcom Inc

Hersteller

Broadcom Inc
  • Anwendungskategorie
    Optische
  • Produkttyp
    Optischer Sender-Empfänger

Für Endprodukte

  • Optical Networking

Beschreibung

  • HFCT-5000, Smart Duplex Single Mode Transceiver Evaluation Board, Transmitter Section Uses a Laser as Its Optical Source Which has been Designed to be Compliant With IEC 825, the Receiver Section Contains an In GaAs/InP PIN Diode and a Pre-Amplifier Within the Receptacle

Aktuelles über Elektronikkomponenten­

Wir haben unsere Datenschutzbestimmungen aktualisiert. Bitte nehmen Sie sich einen Moment Zeit, diese Änderungen zu überprüfen. Mit einem Klick auf "Ich stimme zu", stimmen Sie den Datenschutz- und Nutzungsbedingungen von Arrow Electronics zu.

Wir verwenden Cookies, um den Anwendernutzen zu vergrößern und unsere Webseite zu optimieren. Mehr über Cookies und wie man sie abschaltet finden Sie hier. Cookies und tracking Technologien können für Marketingzwecke verwendet werden.
Durch Klicken von „RICHTLINIEN AKZEPTIEREN“ stimmen Sie der Verwendung von Cookies auf Ihrem Endgerät und der Verwendung von tracking Technologien zu. Klicken Sie auf „MEHR INFORMATIONEN“ unten für mehr Informationen und Anleitungen wie man Cookies und tracking Technologien abschaltet. Das Akzeptieren von Cookies und tracking Technologien ist zwar freiwillig, das Blockieren kann aber eine korrekte Ausführung unserer Website verhindern, und bestimmte Werbung könnte für Sie weniger relevant sein.
Ihr Datenschutz ist uns wichtig. Lesen Sie mehr über unsere Datenschutzrichtlinien hier.