PMP10520.3, Xilinx Virtex Ultrascale FPGA Multi-Gigabit Transceiver (MGT) Power Solution
Referenzdesign unter Verwendung des Teils TPS544B20RVF von Texas Instruments
Beschreibung
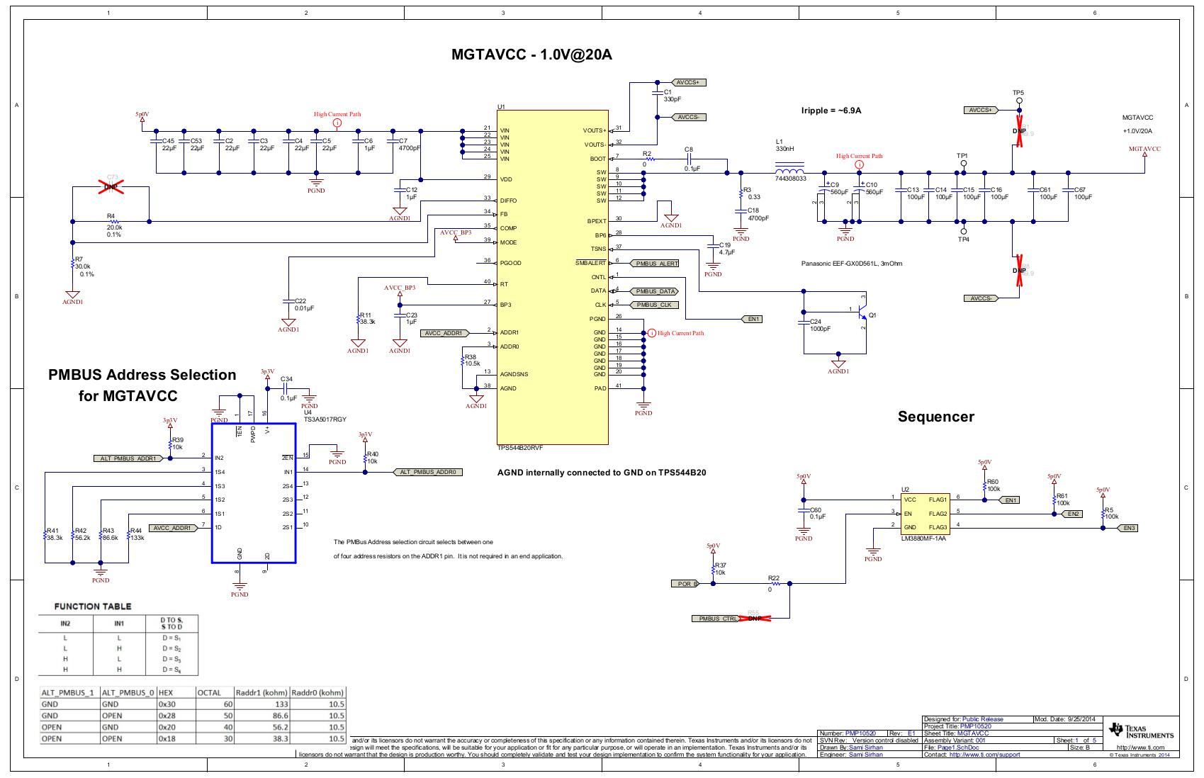
- PMP10520.3, Xilinx Virtex Ultrascale FPGA Multi-Gigabit Transceiver (MGT) Power Solution. The PMP10520 reference design provides all the power supply rails (1V/20A, 1.2V/30A, 1.8V/4A) necessary to power the multi-gigabit transceivers (MGT) in Xilinx's Virtex Ultrascale FPGAs. This design uses a 5V input and has a PMBUs interface for current and voltage monitoring, margining, timing delays and fault monitoring. It uses both TPS544C20 and TPS544B20 which feature internal current sensing and eliminate the need for an external current sense resistor. This design also meets Xilinx's low output voltage ripple requirements of the MGT rails
Empfohlene Bauteile (8)
| Teilenummer | Hersteller | Typ | Beschreibung | |||
|---|---|---|---|---|---|---|
|
|
TS3A5017RGYR | Texas Instruments | Analog Switch Multiplexers | Analog Switch Dual SP4T 16-Pin VQFN EP T/R | In den Warenkorb | |
|
|
TPS544C20RVFT | Texas Instruments | DC to DC Converter and Switching Regulator Chip | Conv DC-DC 4.5V to 18V Synchronous Step Down Single-Out 0.6V to 5.5V 30A 40-Pin LQFN-CLIP EP T/R | In den Warenkorb | |
|
|
TPS40400RHLT | Texas Instruments | DC to DC Controllers | DC/DC Cntrlr Single-OUT Step Down 2000kHz 24-Pin VQFN EP T/R | In den Warenkorb | |
|
|
TPS40400RHLR | Texas Instruments | DC to DC Controllers | DC/DC Cntrlr Single-OUT Step Down 30A 2000kHz 24-Pin VQFN EP T/R | In den Warenkorb | |
|
|
TPS544C20RVFR | Texas Instruments | DC to DC Converter and Switching Regulator Chip | Conv DC-DC 4.5V to 18V Synchronous Step Down Single-Out 0.6V to 5.5V 30A 40-Pin LQFN-CLIP EP T/R | In den Warenkorb | |
|
|
CSD86330Q3D | Texas Instruments | Specialized Power ICs and Modules | Synchronous Buck Power Stage 8-Pin LSON-CLIP EP T/R | In den Warenkorb | |
|
|
TPS544B20RVFT | Texas Instruments | DC to DC Converter and Switching Regulator Chip | Conv DC-DC 4.5V to 18V Synchronous Step Down Single-Out 0.6V to 5.5V 20A 40-Pin LQFN-CLIP EP T/R | In den Warenkorb | |
|
|
TPS544B20RVFR | Texas Instruments | DC to DC Converter and Switching Regulator Chip | Conv DC-DC 4.5V to 18V Synchronous Step Down Single-Out 0.6V to 5.5V 20A 40-Pin LQFN-CLIP EP T/R | In den Warenkorb | |