TIDA-00196, 12V and 24V Brushless DC Out runner Motor Reference Design

Referenzdesign unter Verwendung des Teils DRV8307RHAT von Texas Instruments

Hersteller

Texas Instruments
  • Anwendungskategorie
    Motorkontrolle
  • Produkttyp
    Gleichstrom Motorkontrolle

Für Endprodukte

  • FAN Motor
  • Industrial
  • Pumps
  • Robotics
  • White Goods

Beschreibung

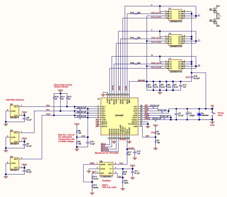
  • TIDA-00196, 12V and 24V Brushless DC Out runner Motor Reference Design. This 6 cm motor is form-factor ready, simply hook up the power and watch it spin the simple and reliable design is easy to modify to support speed and current system needs. The magnetic rotor position is sensed by the DRV5013 Hall-effect sensors and the DRV8307 controller decides when to drive the CSD88537ND FETs that energize the coils

Haupteigenschaften

  • Motor Type
    DC Motor

Aktuelles über Elektronikkomponenten­

Wir haben unsere Datenschutzbestimmungen aktualisiert. Bitte nehmen Sie sich einen Moment Zeit, diese Änderungen zu überprüfen. Mit einem Klick auf "Ich stimme zu", stimmen Sie den Datenschutz- und Nutzungsbedingungen von Arrow Electronics zu.

Wir verwenden Cookies, um den Anwendernutzen zu vergrößern und unsere Webseite zu optimieren. Mehr über Cookies und wie man sie abschaltet finden Sie hier. Cookies und tracking Technologien können für Marketingzwecke verwendet werden.
Durch Klicken von „RICHTLINIEN AKZEPTIEREN“ stimmen Sie der Verwendung von Cookies auf Ihrem Endgerät und der Verwendung von tracking Technologien zu. Klicken Sie auf „MEHR INFORMATIONEN“ unten für mehr Informationen und Anleitungen wie man Cookies und tracking Technologien abschaltet. Das Akzeptieren von Cookies und tracking Technologien ist zwar freiwillig, das Blockieren kann aber eine korrekte Ausführung unserer Website verhindern, und bestimmte Werbung könnte für Sie weniger relevant sein.
Ihr Datenschutz ist uns wichtig. Lesen Sie mehr über unsere Datenschutzrichtlinien hier.