TIDEP0027, High performance Pulse Train Output (PTO) with PRU-ICSS for Industrial Applications
Referenzdesign unter Verwendung des Teils AM3359ZCZ von Texas Instruments
Zugehörige Dokumente
Für Endprodukte
- Brushless Motor
- Factory Automation
- Industrial Programmable Logic Controllers (PLCs)
- Stepper Motor
Beschreibung
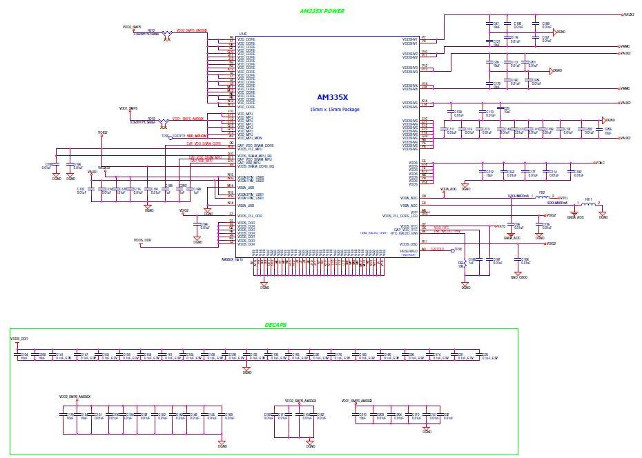
- TIDEP0027, High Performance Pulse Train Output (PTO) with PRU-ICSS for Industrial Applications. The TIDEP0027 High Performance Pulse Train Output (PTO) with PRU-ICSS for Industrial Application combines the AM335x Sitara processor family from and the PTO module into a single system-on-chip (SoC) solution. The design is based on the TMDSICE3359 Industrial Communications Engine (ICE) but can be also used with other PRU-ICSS capable development boards
Haupteigenschaften
-
Embedded System TypeMCU
-
Family NameSitara AM335x
-
Core ProcessorARM Cortex-A8
Empfohlene Bauteile (9)
| Teilenummer | Hersteller | Typ | Beschreibung | |||
|---|---|---|---|---|---|---|
|
|
CDCE913PWR | Texas Instruments | Clock Generators and Synthesizers | Clock Generator 8MHz to 160MHz-IN 230MHz-OUT 14-Pin TSSOP T/R | In den Warenkorb | |
|
|
MT41J128M16JT-125G:K | Micron Technology | DRAM Chip | DRAM Chip GDDR3 SDRAM 2Gbit 128Mx16 1.5V 96-Pin FBGA | In den Warenkorb | |
|
|
MT41J128M16JT-125G:K | Micron Technology | DRAM Chip | DRAM Chip GDDR3 SDRAM 2Gbit 128Mx16 1.5V 96-Pin FBGA | In den Warenkorb | |
|
|
SN74AUP2G08DCUR | Texas Instruments | Logic Gates | AND Gate 2-Element 2-IN CMOS 8-Pin VSSOP T/R | In den Warenkorb | |
|
|
FT2232HL-REEL | Future Technology Devices International Limited | USB Interface ICs | High Speed USB to UART/FIFO USB 2.0 1.8V/3.3V T/R 64-Pin LQFP | In den Warenkorb | |
|
|
MT41J128M16JT-125:K | Micron Technology | DRAM Chip | DRAM Chip DDR3 SDRAM 2Gbit 128Mx16 1.5V 96-Pin FBGA Tray | In den Warenkorb | |
|
|
SN74CBTLV3257RGYR | Texas Instruments | Bus Switches | Multiplexer/Demultiplexer Bus Switch 1-Element CMOS 8-IN 16-Pin VQFN EP T/R | In den Warenkorb | |
|
|
SN74CB3Q3306APWR | Texas Instruments | Bus Switches | Bus Switch 2-Element CMOS 2-IN 8-Pin TSSOP T/R | In den Warenkorb | |
|
|
MT41J128M16JT-125:K | Micron Technology | DRAM Chip | DRAM Chip DDR3 SDRAM 2Gbit 128Mx16 1.5V 96-Pin FBGA Tray | In den Warenkorb | |