TIDEP0043, Aconites EtherCAT Master Stack Reference Design
Referenzdesign unter Verwendung des Teils AM3359ZCZ von Texas Instruments
Für Endprodukte
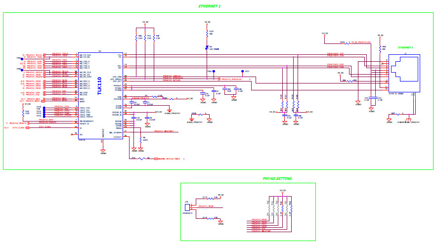
- Ethernet
- Industrial Gateway - Router
- Industrial Programmable Logic Controllers (PLCs)
- Motion Control
Beschreibung
- TIDEP0043, Aconites EtherCAT Master Stack Reference Design. The aconites EC-Master EtherCAT Master stack is a highly portable software stack that can be used on various embedded platforms. The EC-Master supports the high performance Sitara MPUs, it provides a sophisticated EtherCAT Master solution which customers can use to implement EtherCAT communication interface boards, EtherCAT based PLC or motion control applications. The EC-Master architectural design does not require additional tasks to be scheduled, thus the full stack functionality is available even on an OS less platform such as Starterware supported on AM335x
Haupteigenschaften
-
Family NameSitara AM335x
-
Core ProcessorARM Cortex-A8
Empfohlene Bauteile (23)
| Teilenummer | Hersteller | Typ | Beschreibung | |||
|---|---|---|---|---|---|---|
|
|
TPS71718DCKR | Texas Instruments | Linear Regulators | LDO Regulator Pos 1.8V 0.15A 5-Pin SC-70 T/R | In den Warenkorb | |
|
|
TPS78633DCQ | Texas Instruments | Linear Regulators | LDO Regulator Pos 3.3V 1.5A 6-Pin(5+Tab) SOT-223 Tube | In den Warenkorb | |
|
|
MT41J128M16JT-125:K | Micron Technology | DRAM Chip | DRAM Chip DDR3 SDRAM 2Gbit 128Mx16 1.5V 96-Pin FBGA Tray | In den Warenkorb | |
|
|
MT41J128M16JT-125:K | Micron Technology | DRAM Chip | DRAM Chip DDR3 SDRAM 2Gbit 128Mx16 1.5V 96-Pin FBGA Tray | In den Warenkorb | |
|
|
SN74LV244APWRG3 | Texas Instruments | Buffers and Line Drivers | Buffer/Line Driver 8-CH Non-Inverting 3-ST CMOS 20-Pin TSSOP T/R | In den Warenkorb | |
|
|
PCA9536DGKR | Texas Instruments | GPIO Expanders | I2C/SMBus Interface 100kHz/400kHz 5.5V 8-Pin VSSOP T/R | In den Warenkorb | |
|
|
SN74AUP2G08DCUR | Texas Instruments | Logic Gates | AND Gate 2-Element 2-IN CMOS 8-Pin VSSOP T/R | In den Warenkorb | |
|
|
SN74CBTLV3257RGYR | Texas Instruments | Bus Switches | Multiplexer/Demultiplexer Bus Switch 1-Element CMOS 8-IN 16-Pin VQFN EP T/R | In den Warenkorb | |
|
|
ABM3-25.000MHZ-B2-T | Abracon | Crystals | Crystal 25MHz ±20ppm (Tol) ±50ppm (Stability) 18pF FUND 30Ohm 2-Pin Mini-CSMD T/R | In den Warenkorb | |
|
|
TPS51200DRCT | Texas Instruments | Special Purpose Voltage Regulators | DDR Memory Termination Regulator 2.375V to 3.5V 10-Pin VSON EP T/R | In den Warenkorb | |
|
|
TPS76650D | Texas Instruments | Linear Regulators | LDO Regulator Pos 5V 0.25A 8-Pin SOIC Tube | In den Warenkorb | |
|
|
TPS51200DRCR | Texas Instruments | Special Purpose Voltage Regulators | DDR Memory Termination Regulator 2.375V to 3.5V 10-Pin VSON EP T/R | In den Warenkorb | |