TMPSNSRD-RTD2, Resistive Temperature Detector (RTD) Reference Design

Referenzdesign unter Verwendung des Teils MCP9804T-E/MC von Microchip Technology

Hersteller

Microchip Technology
  • Anwendungskategorie
    Messen und Überwachen
  • Produkttyp
    Temperaturmessung

Zugehörige Dokumente

Für Endprodukte

  • Consumer Electronics
  • Desktops and Servers
  • Food Processor
  • Industrial
  • Portable
  • Refrigerator and freezer

Beschreibung

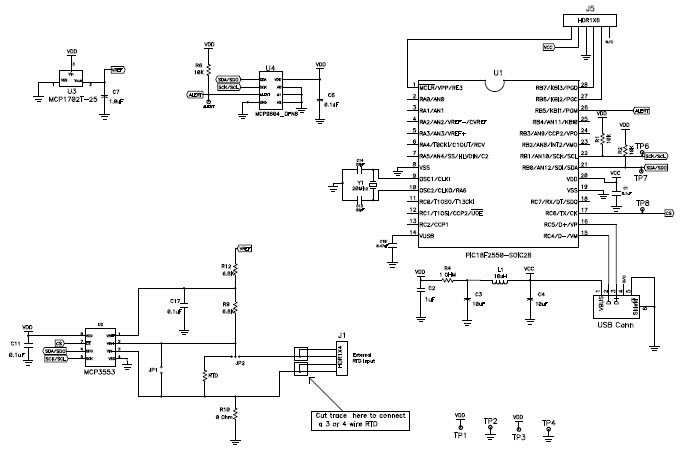
  • TMPSNSRD-RTD2, Resistive Temperature Detector (RTD) Reference Design. The RTD Reference Design demonstrates how to instrument Resistive Temperature Detector (RTD) and accurately measure temperature. This solution uses the MCP3551, 22-Bit Analog to Digital Converter (ADC) to measure voltage across the RTD. The ADC and the RTD are referenced using an on-board reference voltage and the ADC inputs are directly connected to the RTD terminals

Aktuelles über Elektronikkomponenten­

Wir haben unsere Datenschutzbestimmungen aktualisiert. Bitte nehmen Sie sich einen Moment Zeit, diese Änderungen zu überprüfen. Mit einem Klick auf "Ich stimme zu", stimmen Sie den Datenschutz- und Nutzungsbedingungen von Arrow Electronics zu.

Wir verwenden Cookies, um den Anwendernutzen zu vergrößern und unsere Webseite zu optimieren. Mehr über Cookies und wie man sie abschaltet finden Sie hier. Cookies und tracking Technologien können für Marketingzwecke verwendet werden.
Durch Klicken von „RICHTLINIEN AKZEPTIEREN“ stimmen Sie der Verwendung von Cookies auf Ihrem Endgerät und der Verwendung von tracking Technologien zu. Klicken Sie auf „MEHR INFORMATIONEN“ unten für mehr Informationen und Anleitungen wie man Cookies und tracking Technologien abschaltet. Das Akzeptieren von Cookies und tracking Technologien ist zwar freiwillig, das Blockieren kann aber eine korrekte Ausführung unserer Website verhindern, und bestimmte Werbung könnte für Sie weniger relevant sein.
Ihr Datenschutz ist uns wichtig. Lesen Sie mehr über unsere Datenschutzrichtlinien hier.