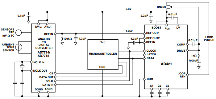
Typical Application for AD421 Loop-Powered 4mA to 20mA DAC in Smart Transmitter Application

Referenzdesign unter Verwendung des Teils AD421BN von Analog Devices

Hersteller

Analog Devices
  • Anwendungskategorie
    Datenkonvertierung
  • Produkttyp
    Digital zu Analog Wandlung

Für Endprodukte

  • Transmitters

Beschreibung

  • Typical Application for AD421 Loop-Powered 4mA to 20mA DAC in Smart Transmitter Application designed to meet the needs of smart transmitter manufacturers in the Industrial Control industry. It provides a high precision, fully integrated, low cost solution in a compact 16-lead package. The AD421 is ideal for extending the resolution of smart 4 mA to 20 mA transmitters at very low cost

Haupteigenschaften

  • DAC Resolution
    16 Bit
  • Number of Channels
    1CH

Aktuelles über Elektronikkomponenten­

Wir haben unsere Datenschutzbestimmungen aktualisiert. Bitte nehmen Sie sich einen Moment Zeit, diese Änderungen zu überprüfen. Mit einem Klick auf "Ich stimme zu", stimmen Sie den Datenschutz- und Nutzungsbedingungen von Arrow Electronics zu.

Wir verwenden Cookies, um den Anwendernutzen zu vergrößern und unsere Webseite zu optimieren. Mehr über Cookies und wie man sie abschaltet finden Sie hier. Cookies und tracking Technologien können für Marketingzwecke verwendet werden.
Durch Klicken von „RICHTLINIEN AKZEPTIEREN“ stimmen Sie der Verwendung von Cookies auf Ihrem Endgerät und der Verwendung von tracking Technologien zu. Klicken Sie auf „MEHR INFORMATIONEN“ unten für mehr Informationen und Anleitungen wie man Cookies und tracking Technologien abschaltet. Das Akzeptieren von Cookies und tracking Technologien ist zwar freiwillig, das Blockieren kann aber eine korrekte Ausführung unserer Website verhindern, und bestimmte Werbung könnte für Sie weniger relevant sein.
Ihr Datenschutz ist uns wichtig. Lesen Sie mehr über unsere Datenschutzrichtlinien hier.