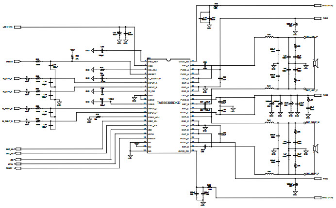
Typical Differential-Input BTL Application Using TAS5630B 400W Mono Class-D Audio Power Amplifier with BD Modulation Filters, DKD Package

Referenzdesign unter Verwendung des Teils TAS5630BDKD von Texas Instruments

Hersteller

Texas Instruments
  • Anwendungskategorie
    Audio
  • Produkttyp
    Audio Leistungsverstärker

Für Endprodukte

  • AV Receiver
  • DVD Receiver
  • Multimedia Speaker System

Beschreibung

  • Typical Differential-Input BTL Application Using TAS5630B 400W Mono Class-D Audio Power Amplifier with BD Modulation Filters, DKD Package. The TAS5630B device is a high-performance analog-input class-D amplifier with integrated closed-loop feedback technology with the ability to drive up to 300W stereo into 4-Ohm to 8-Ohm speakers from a single 50V supply

Haupteigenschaften

  • Number of Channels
    4
  • Output Power
    400 W
  • Amplifier Type
    Class-D

Aktuelles über Elektronikkomponenten­

Wir haben unsere Datenschutzbestimmungen aktualisiert. Bitte nehmen Sie sich einen Moment Zeit, diese Änderungen zu überprüfen. Mit einem Klick auf "Ich stimme zu", stimmen Sie den Datenschutz- und Nutzungsbedingungen von Arrow Electronics zu.

Wir verwenden Cookies, um den Anwendernutzen zu vergrößern und unsere Webseite zu optimieren. Mehr über Cookies und wie man sie abschaltet finden Sie hier. Cookies und tracking Technologien können für Marketingzwecke verwendet werden.
Durch Klicken von „RICHTLINIEN AKZEPTIEREN“ stimmen Sie der Verwendung von Cookies auf Ihrem Endgerät und der Verwendung von tracking Technologien zu. Klicken Sie auf „MEHR INFORMATIONEN“ unten für mehr Informationen und Anleitungen wie man Cookies und tracking Technologien abschaltet. Das Akzeptieren von Cookies und tracking Technologien ist zwar freiwillig, das Blockieren kann aber eine korrekte Ausführung unserer Website verhindern, und bestimmte Werbung könnte für Sie weniger relevant sein.
Ihr Datenschutz ist uns wichtig. Lesen Sie mehr über unsere Datenschutzrichtlinien hier.