CC2530ZLLRC-RD, ZLL Remote Control Reference Design for the CC2530 RF transceiver

Referenzdesign unter Verwendung des Teils CC2530F256RHAR von Texas Instruments

Hersteller

Texas Instruments
  • Anwendungskategorie
    Drahtlose Kommunikation
  • Produkttyp
    Hochfrequenz Transceiver

Für Endprodukte

  • Building Management
  • Consumer Electronics
  • Health System
  • Home Appliances
  • Lighting
  • Remote Control
  • System Monitoring and Control
  • Wireless
  • Wireless Sensor

Beschreibung

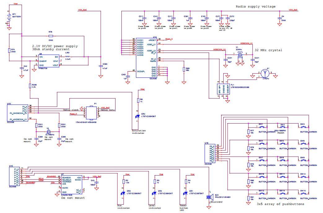
  • CC2530ZLLRC-RD, ZLLRC Reference Design allows simple and direct control of lamps on a ZigBee Light Link network. It is intended to control a sub-group of lamps on the network, such as the lamps in a room in your house. It creates its own group consisting of the lamps it has touch linked with. It has 14 buttons that allow control of state (on/off), hue, saturation, level, target selection and scenes. The ZLLRC is supported by the Z-Stack Lighting 1.0.2 release and higher. It is based on the CC2530 System on Chip (SoC), which has a ZigBee radio integrated. It has an on board PIFA PCB antenna fed through an integrated balun. To improve battery life, the CR2025 battery voltage is converted to 2.1V using the TPS62730 DCDC converter

Haupteigenschaften

  • Communication Standard
    RX/TX

Aktuelles über Elektronikkomponenten­

Wir haben unsere Datenschutzbestimmungen aktualisiert. Bitte nehmen Sie sich einen Moment Zeit, diese Änderungen zu überprüfen. Mit einem Klick auf "Ich stimme zu", stimmen Sie den Datenschutz- und Nutzungsbedingungen von Arrow Electronics zu.

Wir verwenden Cookies, um den Anwendernutzen zu vergrößern und unsere Webseite zu optimieren. Mehr über Cookies und wie man sie abschaltet finden Sie hier. Cookies und tracking Technologien können für Marketingzwecke verwendet werden.
Durch Klicken von „RICHTLINIEN AKZEPTIEREN“ stimmen Sie der Verwendung von Cookies auf Ihrem Endgerät und der Verwendung von tracking Technologien zu. Klicken Sie auf „MEHR INFORMATIONEN“ unten für mehr Informationen und Anleitungen wie man Cookies und tracking Technologien abschaltet. Das Akzeptieren von Cookies und tracking Technologien ist zwar freiwillig, das Blockieren kann aber eine korrekte Ausführung unserer Website verhindern, und bestimmte Werbung könnte für Sie weniger relevant sein.
Ihr Datenschutz ist uns wichtig. Lesen Sie mehr über unsere Datenschutzrichtlinien hier.