DC887A, Demo Board Using LTC1408 14-Bit, 6-Ch Simult-Sampling ADC
Referenzdesign unter Verwendung des Teils LTC1408CUH von Analog Devices
Zugehörige Dokumente
Für Endprodukte
- Data Acquisition System
- Motion Motor Control
- Power Meter
- UPS Power Supply
Beschreibung
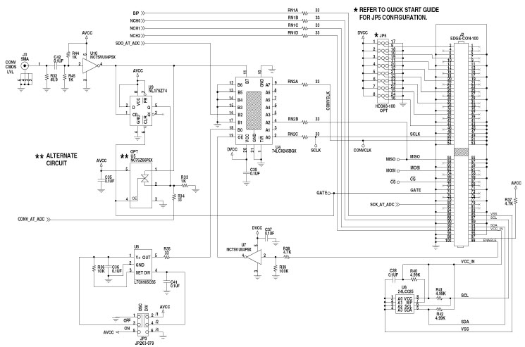
- DC887A, Demonstration Circuit features the LTC1408 6-channel, 14-Bit, simultaneous sampling ADC. Total throughput is 600KSPS, 100KSPS per channel, with a typical channel-to-channel aperture skew of 200ps. The board is designed to be used with the DC890B Fast DAACS data collection board to show the AC performance of the LTC1408
Haupteigenschaften
-
ADC Resolution14 Bit
-
ADC Sampling Rate600K SPS
-
Number of Channels6CH
Empfohlene Bauteile (66)
| Teilenummer | Hersteller | Typ | Beschreibung | |||
|---|---|---|---|---|---|---|
|
|
LTC6905CS5-96#PBF | Analog Devices | Silicon Oscillators | Silicon Oscillator 24MHz/ 48MHz/ 96MHz- CMOS 5-Pin TSOT-23 T/R | In den Warenkorb | |
|
|
LTC6905CS5-80#PBF | Analog Devices | Silicon Oscillators | Silicon Oscillator 20MHz/ 40MHz/ 80MHz- CMOS 5-Pin TSOT-23 T/R | In den Warenkorb | |
|
|
LTC6905CS5-133#TRPBF | Analog Devices | Silicon Oscillators | Silicon Oscillator 33.3MHz/ 66.7MHz/ 133MHz- CMOS 5-Pin TSOT-23 T/R | In den Warenkorb | |
|
|
LT1761ES5-3.3#TR | Analog Devices | Linear Regulators | LDO Regulator Pos 3.3V 0.1A 5-Pin TSOT-23 T/R | In den Warenkorb | |
|
|
24LC025/SN | Microchip Technology | EEPROM | EEPROM Serial-I2C 2K-bit 256 x 8 3.3V/5V 8-Pin SOIC N Tube | In den Warenkorb | |
|
|
24LC025T-E/MC | Microchip Technology | EEPROM | EEPROM Serial-I2C 2K-bit 256 x 8 3.3V/5V 8-Pin DFN EP T/R | In den Warenkorb | |
|
|
24LC025-E/SN | Microchip Technology | EEPROM | EEPROM Serial-I2C 2K-bit 256 x 8 3.3V/5V 8-Pin SOIC N Tube | In den Warenkorb | |
|
|
LTC6905CS5-96 | Analog Devices | Silicon Oscillators | Silicon Oscillator 24MHz/ 48MHz/ 96MHz- CMOS 5-Pin TSOT-23 | In den Warenkorb | |
|
|
LTC6905CS5-100#PBF | Analog Devices | Silicon Oscillators | Silicon Oscillator 25MHz/ 50MHz/ 100MHz- CMOS 5-Pin TSOT-23 T/R | In den Warenkorb | |
|
|
LT1761ES5-3.3#TRMPBF Linear Technology Voltage Regulator | Analog Devices | Linear Regulators | LDO Regulator Pos 3.3V 0.1A 5-Pin TSOT-23 T/R | In den Warenkorb | |
|
|
NL17SZ74USG | onsemi | Flip Flops | Flip Flop D-Type Pos-Edge 1-Element 8-Pin US T/R | In den Warenkorb | |
|
|
24LC025-I/MS | Microchip Technology | EEPROM | EEPROM Serial-I2C 2K-bit 256 x 8 3.3V/5V 8-Pin MSOP Tube | In den Warenkorb | |