Filter
| Beschreibung | Freigegeben von | Für Anwendung | Für Endprodukte | |||
|---|---|---|---|---|---|---|
LTC3112_Typical ApplicationTypical Application for LTC3112 - 15V, 2.5A Synchronous Buck-Boost DC/DC Converter |
Analog Devices | Power Supplies | LED Lighting, Battery Charger, Multi Voltage System, Handy Terminal, Power Conversion, Transmitters, Handheld Instruments, Li+ Battery Applications | |||
MIC2196_Typical ApplicationTypical Application for MIC2196: Low Voltage Boost PWM Control IC in SO-8 |
Microchip Technology | Power Supplies | Cellular Phone, Laptop, Battery Charger, Buck Converter, Handheld Instruments, Battery-Powered Supplies | |||
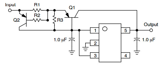
NCP551_Typical Application |
onsemi | Power Supplies | Digital Camera, Battery Powered Instrument, Camcorder, Handheld Instruments | |||
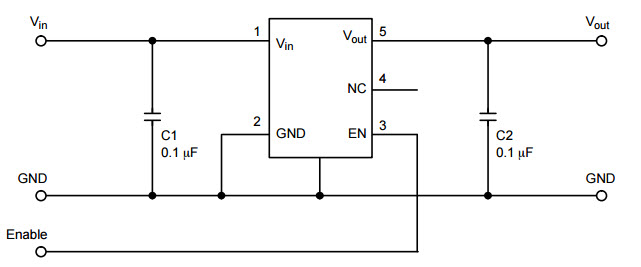
NCV551_Typical ApplicationTypical Application for NCV551 150 mA CMOS Low Iq Low-Dropout Voltage Regulator for Delayed Turn-on |
onsemi | Power Supplies | Digital Camera, Battery Powered Instrument, Camcorder, Handheld Instruments | |||
NCP551_Typical ApplicationTypical Application for NCP551 150 mA CMOS Low Iq Low-Dropout Voltage Regulator for Delayed Turn-on |
onsemi | Power Supplies | Digital Camera, Battery Powered Instrument, Camcorder, Handheld Instruments | |||
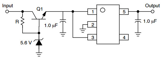
NCP571_Typical ApplicationTypical Application for NCP571 150 mA CMOS Low Iq Low Output Voltage Regulator |
onsemi | Power Supplies | Battery Powered Instrument, Camcorder, Handheld Instruments, Cameras | |||
NCV2931_Typical ApplicationTypical Application for NCV2931 100 mA, for Current Boost Regulator with Short Circuit Projection |
onsemi | Power Supplies | Digital Camera, Camcorder, Handheld Instruments, Battery-Powered Consumer Products | |||
LM2931_Typical ApplicationTypical Application for LM2931 100 mA, for (5.0 A) Low Differential Voltage Regulator |
onsemi | Power Supplies | Digital Camera, Camcorder, Handheld Instruments, Battery-Powered Consumer Products | |||
NCV2931_Typical ApplicationTypical Application for NCV2931 100 mA, for (5.0 A) Low Differential Voltage Regulator |
onsemi | Power Supplies | Digital Camera, Camcorder, Handheld Instruments, Battery-Powered Consumer Products | |||
NCV2931_Typical ApplicationTypical Application for NCV2931 100 mA, for Adjustable Output Regulator |
onsemi | Power Supplies | Digital Camera, Camcorder, Handheld Instruments, Battery-Powered Consumer Products | |||
NCP562_Typical ApplicationTypical Application for NCV562 80 mA CMOS Low Iq Low-Dropout Voltage Regulator |
onsemi | Power Supplies | Battery Powered Instrument, Camcorder, Handheld Instruments, Cameras | |||
LM2931_Typical ApplicationTypical Application for LM2931 100 mA, for Constant Intensity Lamp Flasher |
onsemi | Power Supplies | Digital Camera, Camcorder, Handheld Instruments, Battery-Powered Consumer Products | |||
NCV2931_Typical ApplicationTypical Application for NCV2931 100 mA, for Constant Intensity Lamp Flasher |
onsemi | Power Supplies | Digital Camera, Camcorder, Handheld Instruments, Battery-Powered Consumer Products | |||
NCP512_Typical ApplicationTypical Application for NCP512SQ13T2G 80 mA, 1.3 Output Voltage CMOS Low Voltage Regulator |
onsemi | Power Supplies | Cellular Phone, Digital Camera, Camcorder, Handheld Instruments, Battery-Powered Consumer Products | |||
NCP511_Typical Application |
onsemi | Power Supplies | Battery Powered Instrument, Camcorder, Handheld Instruments, Cameras | |||
NCV553_Typical ApplicationTypical Application for NCV553 80 mA CMOS Low Iq NOCAP Voltage Regulator |
onsemi | Power Supplies | Camcorder, Handheld Instruments, Cameras, Battery-Powered Consumer Products | |||
NCP500_Typical ApplicationTypical Application for 150 mA CMOS Low Noise Low-Dropout Voltage Regulator |
onsemi | Power Supplies | Camcorder, Handheld Instruments, Cameras, Post-Regulators, Noise Sensitive Applications | |||
NCP511_Typical Application |
onsemi | Power Supplies | Battery Powered Instrument, Camcorder, Handheld Instruments, Cameras | |||
NCP51460_Typical ApplicationTypical Application for NCP51460 20 mA Micro-power Precision Voltage Reference |
onsemi | Data Conversion | Power Supplies, Data Acquisition System, Precision Regulation, Handheld Instruments, Microcomputer Systems | |||
LTC3531_Typical ApplicationTypical Application for LTC3531 - 200mA Buck-Boost Synchronous DC/DC Converters |
Analog Devices | Power Supplies | Personal Digital Assistant, MP3 Player, GPS , Portable Computers, Handheld Instruments | |||