EVAL-AD5684RSDZ, Evaluation Board using AD5684R, 12-Bit, Quad Channel Voltage Output Digital to Analog Converter
Referenzdesign unter Verwendung des Teils AD5684R von Analog Devices
Für Endprodukte
- Data Acquisition System
- Industrial Automation HMI
- Industrial Process Measurement and Control
- Opticals
- Wireless Base Station
Beschreibung
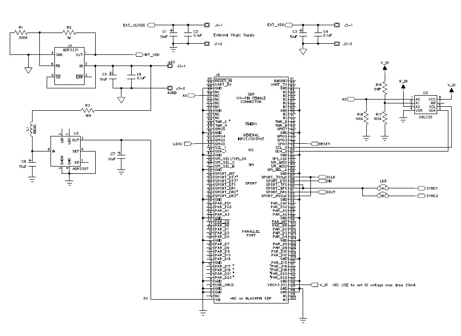
- EVAL-AD5684RSDZ, Evaluation Board using AD5684R, 12-Bit, Quad Channel Voltage Output Digital to Analog Converter. The device includes a 2.5 V, 2 ppm/degree Celsius internal reference (enabled by default) and a gain select pin giving a full-scale output of 2.5 V (gain = 1) or 5 V (gain = 2). The device operates from a single 2.7 V to 5.5 V supply, is guaranteed monotonic by design, and exhibits less than 0.1% FSR gain error and 1.5 mV offset error performance
Haupteigenschaften
-
DAC Resolution12 Bit
-
Number of Channels4CH
Empfohlene Bauteile (35)
| Teilenummer | Hersteller | Typ | Beschreibung | |||
|---|---|---|---|---|---|---|
|
|
ADR431BRZ | Analog Devices | Voltage References | V-Ref Precision 2.5V 30mA 8-Pin SOIC N Tube | In den Warenkorb | |
|
|
AD5684RBCPZ-RL7 | Analog Devices | Digital to Analog Converters - DACs | DAC 4-CH Resistor-String 12-bit 16-Pin LFCSP EP T/R | In den Warenkorb | |
|
|
AD5684BRUZ-RL7 | Analog Devices | Digital to Analog Converters - DACs | DAC 4-CH Resistor-String 12-bit 16-Pin TSSOP T/R | In den Warenkorb | |
|
|
ADR431ARMZ-REEL7 | Analog Devices | Voltage References | V-Ref Precision 2.5V 30mA 8-Pin MSOP T/R | In den Warenkorb | |
|
|
ADR435ARMZ-REEL7 | Analog Devices | Voltage References | V-Ref Precision 5V 30mA 8-Pin MSOP T/R | In den Warenkorb | |
|
|
ADR435BRZ | Analog Devices | Voltage References | V-Ref Precision 5V 30mA 8-Pin SOIC N Tube | In den Warenkorb | |
|
|
ADR435TRZ-EP | Analog Devices | Voltage References | V-Ref Precision 5V 10mA 8-Pin SOIC N Tube | In den Warenkorb | |
|
|
AD5684RARUZ-RL7 | Analog Devices | Digital to Analog Converters - DACs | DAC 4-CH Resistor-String 12-bit 16-Pin TSSOP T/R | In den Warenkorb | |
|
|
AD5684RBRUZ-RL7 | Analog Devices | Digital to Analog Converters - DACs | DAC 4-CH Resistor-String 12-bit 16-Pin TSSOP T/R | In den Warenkorb | |
|
|
AD5684ARUZ | Analog Devices | Digital to Analog Converters - DACs | DAC 4-CH Resistor-String 12-bit 16-Pin TSSOP Tube | In den Warenkorb | |
|
|
ADR431ARZ-REEL7 | Analog Devices | Voltage References | V-Ref Precision 2.5V 30mA 8-Pin SOIC N T/R | In den Warenkorb | |
|
|
ADR431ARZ | Analog Devices | Voltage References | V-Ref Precision 2.5V 30mA 8-Pin SOIC N Tube | In den Warenkorb | |