EVAL-ADF7XXXMBZ3, RF Mother Board + ADF702xDBExZ RF Modules based on ADF7023 ISM Band Transceiver
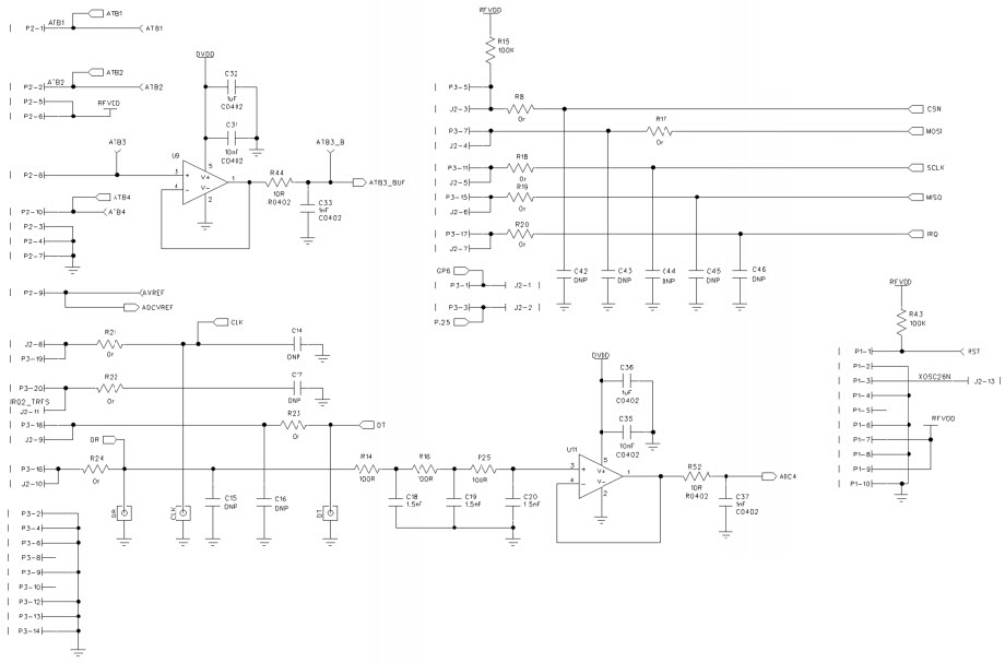
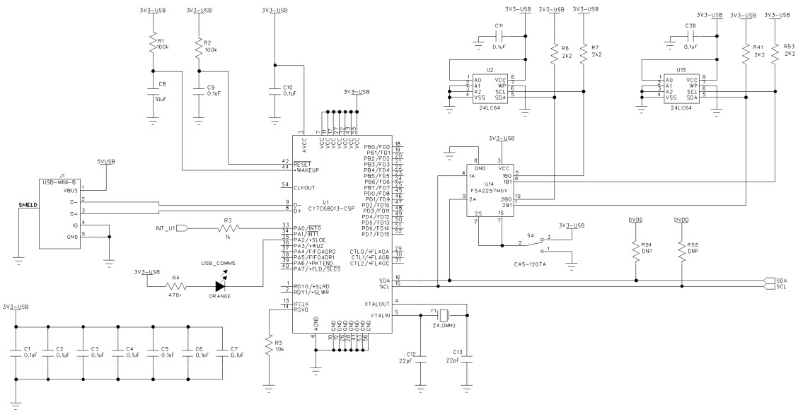
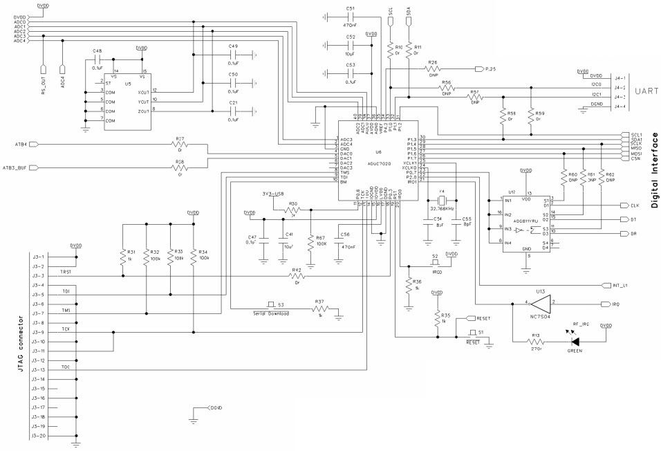
Referenzdesign unter Verwendung des Teils ADUC7020 von Analog Devices
Zugehörige Dokumente
Für Endprodukte
- Building Management
- Health System
- Home Automation
- Process Control
- Wireless Metering
- Wireless Sensor
Beschreibung
- EVAL-ADF7XXXMBZ3, RF Mother Board with ADF702xDBExZ RF Modules for the ADF7023 is a very low power, high performance, highly integrated 2FSK/GFSK/OOK/MSK/GMSK transceiver designed for operation in the 862 to 928 MHz and 431 to 464 MHz frequency bands, which cover the worldwide license free ISM bands at 433 MHz, 868 MHz, and 915 MHz. It is suitable for circuit applications that operate under the European ETSI EN300-220, the North American FCC (Part 15), the Chinese short-range wireless regulatory standards, or other similar regional standards
Haupteigenschaften
-
Communication Standard2-FSK/GFSK/OOK/MSK/GMSK
-
Operating Frequency434|868|915 MHz
Empfohlene Bauteile (57)
| Teilenummer | Hersteller | Typ | Beschreibung | |||
|---|---|---|---|---|---|---|
|
|
ADP150AUJZ-2.8-R7 | Analog Devices | Linear Regulators | LDO Regulator Pos 2.8V 0.15A 5-Pin TSOT T/R | In den Warenkorb | |
|
|
ADP150ACBZ-3.0-R7 | Analog Devices | Linear Regulators | LDO Regulator Pos 3V 0.15A 4-Pin WLCSP T/R | In den Warenkorb | |
|
|
24LC64T-E/SM | Microchip Technology | EEPROM | EEPROM Serial-I2C 64K-bit 8K x 8 3.3V/5V Automotive AEC-Q100 8-Pin SOIJ T/R | In den Warenkorb | |
|
|
24LC64T-E/MS | Microchip Technology | EEPROM | EEPROM Serial-I2C 64K-bit 8K x 8 3.3V/5V Automotive AEC-Q100 8-Pin MSOP T/R | In den Warenkorb | |
|
|
24LC64-E/SN16KVAO | Microchip Technology | EEPROM | EEPROM Serial-I2C 64K-bit 8K x 8 3.3V/5V 8-Pin SOIC N Tube Automotive AEC-Q100 | In den Warenkorb | |
|
|
24LC64T-I/OT | Microchip Technology | EEPROM | EEPROM Serial-I2C 64K-bit 8K x 8 3.3V/5V 5-Pin SOT-23 T/R | In den Warenkorb | |
|
|
24LC64-I/STG | Microchip Technology | EEPROM | EEPROM Serial-I2C 64K-bit 8K x 8 3.3V/5V 8-Pin TSSOP Tube | In den Warenkorb | |
|
|
24LC64-I/ST | Microchip Technology | EEPROM | EEPROM Serial-I2C 64K-bit 8K x 8 3.3V/5V 8-Pin TSSOP Tube | In den Warenkorb | |
|
|
24LC64T-I/SN | Microchip Technology | EEPROM | EEPROM Serial-I2C 64K-bit 8K x 8 3.3V/5V 8-Pin SOIC N T/R | In den Warenkorb | |
|
|
ADP150AUJZ-3.0-R7 | Analog Devices | Linear Regulators | LDO Regulator Pos 3V 0.15A 5-Pin TSOT T/R | In den Warenkorb | |
|
|
ADP150ACBZ-2.8-R7 | Analog Devices | Linear Regulators | LDO Regulator Pos 2.8V 0.15A 4-Pin WLCSP T/R | In den Warenkorb | |
|
|
ADP150AUJZ-3.3-R7 | Analog Devices | Linear Regulators | LDO Regulator Pos 3.3V 0.15A 5-Pin TSOT T/R | In den Warenkorb | |