TIDA-00589, I2C Controlled Single Cell 5A Fast Charger with MaxCharge and 3.1A Boost Operation for Power Bank

Referenzdesign unter Verwendung des Teils BQ25895RTWR von Texas Instruments

Hersteller

Texas Instruments
  • Anwendungskategorie
    Batteriemanagement
  • Produkttyp
    Akkuladegeräte

Beschreibung

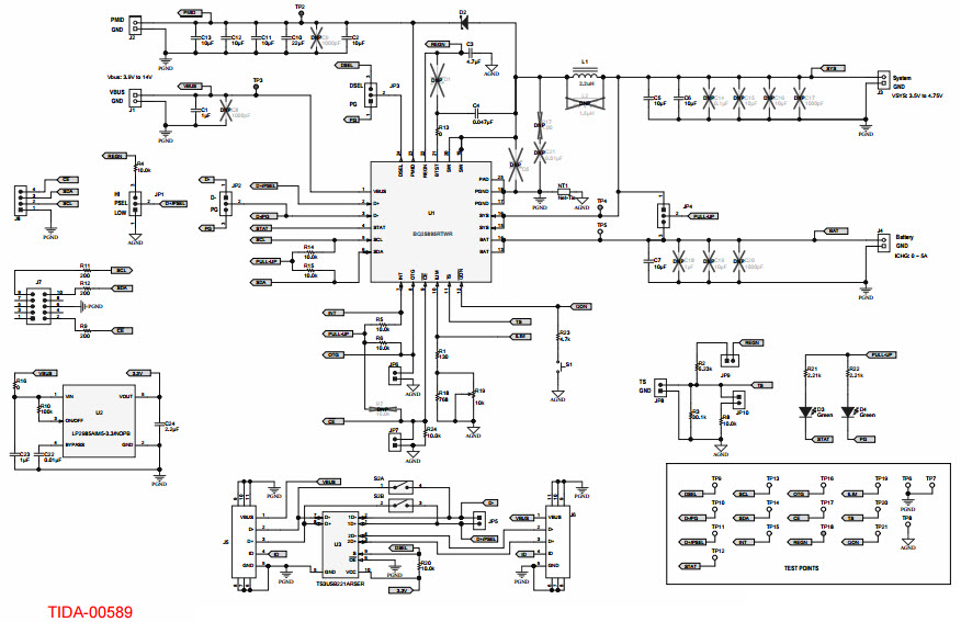
  • TIDA-00589, I2C Controlled Single Cell 5A Fast Charger with MaxCharge and 3.1A Boost Operation for Power Bank. The TIDA-00589 demonstrates the fully-integrated single-cell 5A charger bq25895 with 3.1A synchronous boost operation. bq25895 is a single-chip 1S power bank solution supporting high voltage adaptor to achieve up to 5A fast charging. The high efficiency of the synchronous boost maximizes the power bank operation time. bq25895 is pin-to-pin compatible to the bq24195 and bq24195L power bank chargers

Haupteigenschaften

  • Battery Type
    Lithium-Ion|Lithium-Polymer
  • Number of Battery Cells
    1

Aktuelles über Elektronikkomponenten­

Wir haben unsere Datenschutzbestimmungen aktualisiert. Bitte nehmen Sie sich einen Moment Zeit, diese Änderungen zu überprüfen. Mit einem Klick auf "Ich stimme zu", stimmen Sie den Datenschutz- und Nutzungsbedingungen von Arrow Electronics zu.

Wir verwenden Cookies, um den Anwendernutzen zu vergrößern und unsere Webseite zu optimieren. Mehr über Cookies und wie man sie abschaltet finden Sie hier. Cookies und tracking Technologien können für Marketingzwecke verwendet werden.
Durch Klicken von „RICHTLINIEN AKZEPTIEREN“ stimmen Sie der Verwendung von Cookies auf Ihrem Endgerät und der Verwendung von tracking Technologien zu. Klicken Sie auf „MEHR INFORMATIONEN“ unten für mehr Informationen und Anleitungen wie man Cookies und tracking Technologien abschaltet. Das Akzeptieren von Cookies und tracking Technologien ist zwar freiwillig, das Blockieren kann aber eine korrekte Ausführung unserer Website verhindern, und bestimmte Werbung könnte für Sie weniger relevant sein.
Ihr Datenschutz ist uns wichtig. Lesen Sie mehr über unsere Datenschutzrichtlinien hier.