CC2511NANO_REFDES, CC2511 USB Nano Dongle Reference Design

Referenzdesign unter Verwendung des Teils CC2511 von Texas Instruments

Hersteller

Texas Instruments
  • Anwendungskategorie
    Drahtlose Kommunikation
  • Produkttyp
    Drahtlos Systeme

Zugehörige Dokumente

Für Endprodukte

  • Building Management
  • Consumer Electronics
  • Home Appliances
  • Metering
  • Remote Control
  • Set-Top Box
  • System Monitoring and Control
  • Wireless
  • Wireless Sensor

Beschreibung

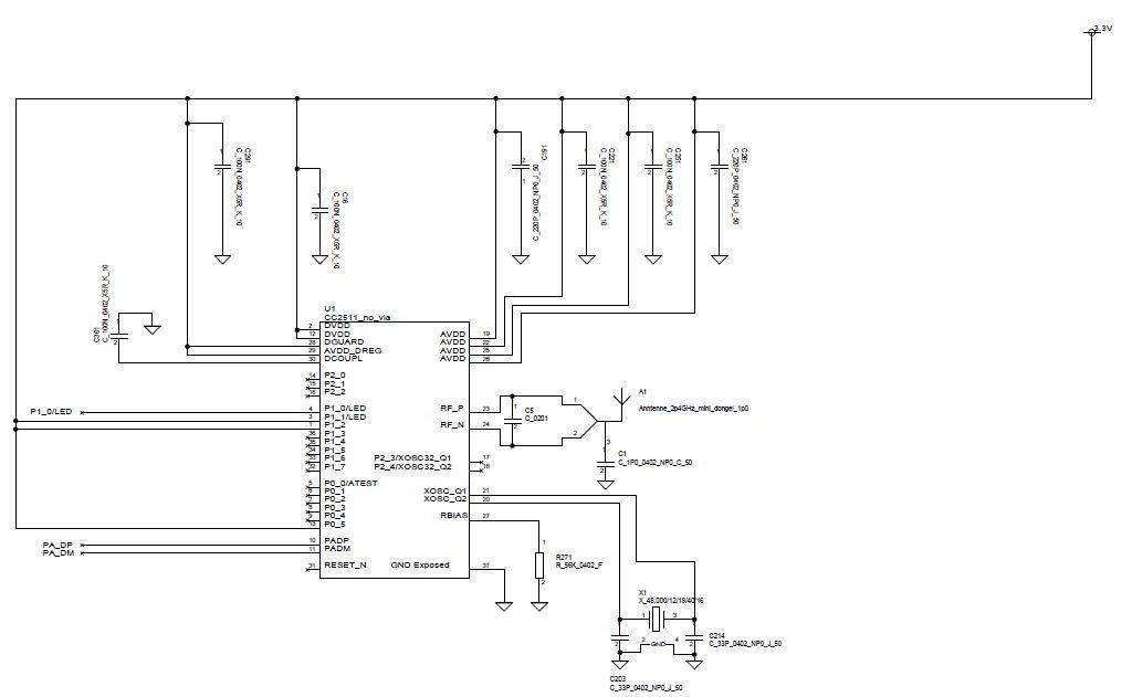
  • CC2511NANO_REFDES, CC2511 USB Nano Dongle Reference Design shows how to make an ultra compact USB dongle with the CC2511 System-on-Chip, using a PCB antenna and single sided component mounting. The reference design demonstrates good techniques for decoupling and RF layout in miniaturized PCB designs with the CC2511. This is a 4-layer reference design with a compact balun and antenna integrated in the PCB. for optimum RF performance, the reference design must be copied exactly. In the reference design connections to the debug interface are excluded to save board space

Aktuelles über Elektronikkomponenten­

Wir haben unsere Datenschutzbestimmungen aktualisiert. Bitte nehmen Sie sich einen Moment Zeit, diese Änderungen zu überprüfen. Mit einem Klick auf "Ich stimme zu", stimmen Sie den Datenschutz- und Nutzungsbedingungen von Arrow Electronics zu.

Wir verwenden Cookies, um den Anwendernutzen zu vergrößern und unsere Webseite zu optimieren. Mehr über Cookies und wie man sie abschaltet finden Sie hier. Cookies und tracking Technologien können für Marketingzwecke verwendet werden.
Durch Klicken von „RICHTLINIEN AKZEPTIEREN“ stimmen Sie der Verwendung von Cookies auf Ihrem Endgerät und der Verwendung von tracking Technologien zu. Klicken Sie auf „MEHR INFORMATIONEN“ unten für mehr Informationen und Anleitungen wie man Cookies und tracking Technologien abschaltet. Das Akzeptieren von Cookies und tracking Technologien ist zwar freiwillig, das Blockieren kann aber eine korrekte Ausführung unserer Website verhindern, und bestimmte Werbung könnte für Sie weniger relevant sein.
Ihr Datenschutz ist uns wichtig. Lesen Sie mehr über unsere Datenschutzrichtlinien hier.